Bomba centrífuga de rotor seco monocelular, com motor de corrente trifásica diretamente flangeado e veio inteiro.
A série IPL é adequada para a montagem em tubos ou a instalação sobre fundações.
Com empanque mecânico de fole, de passagem forçada independente do sentido de rotação e impulsor redutor de cavitação em plástico.
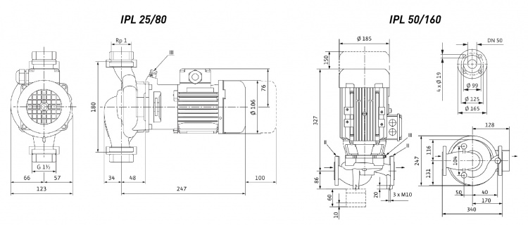
Flanges com conexões de medição da pressão R 1/8.
O corpo da bomba e a lanterna são revestidos por cataforese.
Obs.: flanges vendidas a parte.
Ficha técnica do produto| Código | Modelo | Preço (s/IVA) | Disponibilidade | Comprar |
|---|---|---|---|---|
| 117-2089570 | BOMBA WILO IPL 25/80-0.12/2 | Entrar no My Zantia | ||
| 117-2152929 | BOMBA WILO IPL 32/125-1, 1/2 | Entrar no My Zantia | ||
| 117-2121202 | Bomba Wilo IPL 40/130-2.2/2 | Entrar no My Zantia | ||
| 117-2089558 | BOMBA WILO IPL 50/160 - 0.55/4 | Entrar no My Zantia | ||
| 117-2121219 | BOMBA WILO IPL 65/110-2,2 /2 | Entrar no My Zantia | ||
| 117-2121220 | Bomba WILO IPL 65/120 - 3/2 | Entrar no My Zantia | ||
| 117-2121239 | BOMBA WILO DPL 32/105-0.75/2 | Entrar no My Zantia |
| DADOS TÉCNICOS | IPL 25/80-0.12/2 | IPL 50/160 - 0.55/4 |
|---|---|---|
| Temperatura máx. dos líquidos (ºC) | 120 | 120 |
| Temperatura mín. dos líquidos (ºC) | -20 | -20 |
| Temperatura ambiente máx. (ºC) | 40 | 40 |
| Pressão de funcionamento máx. (bar) | 10 | 10 |
| Classe da eficiência energética do motor | IE2 | IE2 |
| Potência nominal motor P2 (W) | 120 | 550 |
| Corrente nominal (A) | 0,33 | 1,45 |
| Tipo de proteção | IP55 | IP55 |
| Classe de isolamento | F | F |
| Peso líquido aprox. (kg) | 7 | 29 |
| MATERIAIS | ||
| Corpo da bomba | Ferro fundido (EN-GJL-250) | Ferro fundido (EN-GJL-250) |
| Impulsor | PP-LGF50 | PPE/PS-GF30 |
| Lanterna | Ferro fundido (EN-GJL-250) | Ferro fundido (EN-GJL-250) |
| Veio | 1.4021, X20Cr13 | 1.4021 |
| LIGAÇÕES | ||
| Ligação de rede (V/Hz) | 400/50 | 400/50 |
| Ligação do tubo do lado da sucção | G 1/2" | DN 50 |
| Ligação do tubo do lado da pressão | G 1/2" | DN 50 |
Circulação de água potável (A.Q.S.) | 2 até 95 °C | corpo em aço inoxidável
Saber mais
A.Q.S. | -10 até 110 ºC | circuitos de água potável com dureza <20 ºd | corpo em bronze
Saber mais
Água potável | A.Q.S. | -20 até 130 ºC | caudal máx.: 9 m³/h | altura manométrica máx.: 9 m | corpo em bronze ou aço inox
Saber mais
-20 até 110 ºC | aquecimento, ar condicionado e sistemas de circulação industriais | ferro fundido
Saber mais